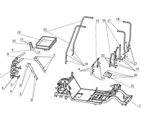
| Ref# | Part# | Item Description |
| 1 | M1204-2801010 | Frame Assembly |
| 2 | Q1840820T1F6 | Hex flange bolt M8×1.25×20 |
| 3 | M1204-5005113 | Beam Of Front Basket, Driver |
| 4 | Q33008T2F6 | Hexagonal flange lock nut M8×1.25 |
| 5 | Q1840850T1F6 | Hexagon flange bolt M8×1.25×50 |
| 6 | Q1851025TF6 | Hex Bolt M10×1.25×25 |
| 7 | M1204-2809100 | Front Bumper |
| 8 | M1204-5005114 | Beam Of Front Load Basket, Passenger |
| 9 | M1204-5005211 | Storage Basket-Connecting, Front, Driver |
| 10 | M1204-5005222 | Storage Basket-Connecting, Front, Passenger |
| 11 | Q1840816T1F6 | Hexagon flange bolt M8×1.25×16 |
| 12 | M1204-5005120 | Storage Basket, Front-NotAvailable |
| 13 | M1203-2801411 | A Pillar |
| 14 | Q1840840T1F6 | Hexagon flange bolt M8×1.25×40 |
| 15 | M1204-2800310 | Seat Beam Assy |
| C5E | M1203-2801430-B | B Pillar Instal Assy |
| 17 | M1203-2801421 | B Pillar, Driver |
| 18 | M1203-2801422 | B Pillar, Passenger |
| 19 | Q1840860T1F33 | Hexagon flange bolt M8×1.25×60 |
| 20 | Q1840616T1F33 | Hexagon flange bolt M6×16 |
| 21 | M1203-2801551H | Motor controller mounting components |
| 22 | M1203-2801436 | Large flat washer M8×4×40 |
| ASSY | M1204-5005120-ASSY | Front Basket Kit, Golf Cart |